在開關電源或硬件設計中,無論是三極管還是MOS管,都需要驅動電源的支持。如果直接將脈沖波形加在開關管上,豈不是更好,驅動電源有哪些優勢,MOS管如何選擇比較合適的驅動電路?

選擇了一個適合的MOS管、電源IC,說明你是一個合格的采購工程師。如何用好這只管子,就需要對驅動電路進行優化,包括驅動腳輸出的峰值電流、上升速率等,因為這些將直接影響MOS管的開關性能
(1)開關管開通瞬時,驅動電路應能提供足夠大的充電電流,使MOS管柵源極間電壓迅速上升到所需值,保證開關管能快速開通且不存在上升沿的高頻振蕩。
(2)開關導通期間,驅動電路能保證MOS管柵源極間電壓保持穩定,且可靠導通。
(3)關斷瞬間驅動電路,能提供一個盡可能低阻抗的通路,供MOS管柵源極間電容電壓的快速泄放,保證開關管能快速關斷。
(4)驅動電路結構簡單可靠、損耗小。
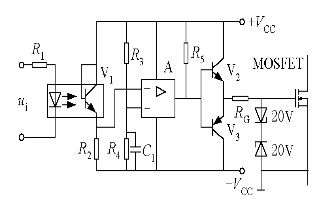
(5)根據情況進行隔離。 在模塊電源中,做常用的是電源IC直接驅動MOS管。使用中,應該注意最大驅動峰值電流、MOS管的寄生電容兩個參數。這里,電源IC的驅動能力、MOS寄生電容大小、驅動電阻阻值都將影響MOS管開關速度。
如果選擇MOS管寄生電容比較大,電源IC內部的驅動能力又不足時,需要在驅動電路上增強驅動能力,常使用圖騰柱電路增加電源IC驅動能力。 該電路雖然簡單,可以此改進并發展出很多其它形式的驅動電路。
目前,各種各樣的
MOS管驅動電路并沒有一種驅動電路是最好的,需要用戶根據具體應用,結合MOS管廠商提供的用戶手冊,不斷對電路及參數進行優化,打磨出最合適自己應用的驅動方案來。