•產品描述:
U6206系列是一款采用CMOS和激光微調技術制造的高精度、低功耗、三端正電壓穩壓器。 該系列提供大電流并具有非常小的壓差。 U6206由限流電路、驅動三極管、精密參考電壓和糾錯電路組成。 系列兼容低 ESR 陶瓷電容器。 限流器的折返電路用作短路保護以及輸出引腳的輸出限流器。 輸出電壓在內部由激光修整技術。 它可以在 1.2V 至 5.0V 的范圍內以 0.1V 的增量進行選擇。U6206 系列有 SOT-23、SOT23-3 和 SOT-89 封裝。
特點:
●低功耗●低壓降●低溫系數●低靜態電流:6V時3uA●輸出電壓精度,誤差±2%
應用程序:
●電池供電設備●參考電壓源●攝像機、攝像機●便攜式av系統●移動電話●便攜式游戲
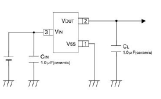
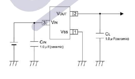
典型應用電路:

Copyright ? 2015-2023 紹興宇力半導體有限公司
浙公網安備33060202001577
浙ICP備2020037221號-1
技術支持:藍韻網絡