•產品描述:UNI2113P是高壓,高速功率MOSFET和IGBT驅動器,具有獨立的高側和低側參考輸出通道。專有的HVIC和閂鎖免疫CMOS技術使堅固的單片結構成為可能。邏輯輸入與標準CMOS或LSTTL輸出兼容,低至3.3V邏輯。輸出驅動器具有高脈沖電流緩沖級驅動器交叉導通。傳播延遲匹配,以簡化在高頻應用中的使用。浮動chan通道可用于驅動n通道功率MOSFET或IGBT在高側配置,其工作電壓高達600伏。
•主要特點:浮動通道設計用于引導操作;完全工作到+600V;容忍負瞬態電壓v /dt免疫;柵極驅動供電范圍從10到20V;兩個通道都有欠壓鎖定;3.3V邏輯兼容;3.3V到20V的獨立邏輯供電范圍;邏輯與電源接地+5V偏移
•典型應用:家用電器;工業應用和驅動;電機驅動器;直流、交流、PMDC和PMAC電機;
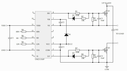
•典型應用電路:

Copyright ? 2015-2023 紹興宇力半導體有限公司
浙公網安備33060202001577
浙ICP備2020037221號-1
技術支持:藍韻網絡